однорядный цилиндрический роликовый подшипник
с двумя бортами на внутреннем кольце и одном — на наружнем
NF 256 (NACHI)
механически обработанный латунный сепаратор

Notice: Undefined variable: subts_res in /home/yarsnab/yarsnab.ru/docs/scripts/analogs_table.php on line 47

Warning: mysql_free_result(): supplied argument is not a valid MySQL result resource in /home/yarsnab/yarsnab.ru/docs/scripts/analogs_table.php on line 47

Notice: Undefined variable: NACHI in /home/yarsnab/yarsnab.ru/docs/scripts/analogs_table.php on line 58

Notice: Undefined variable: SKF in /home/yarsnab/yarsnab.ru/docs/scripts/analogs_table.php on line 58
Аналоги других производителей:
NTN
Koyo
SKF

Notice: Undefined variable: SKF in /home/yarsnab/yarsnab.ru/docs/scripts/analogs_table.php on line 77
 —
NF 256
Масса 71.5 кг
 
 
 
 
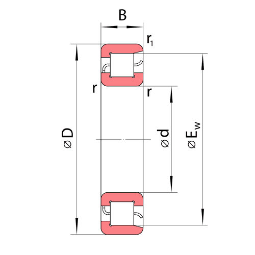
Габаритные размеры:
d = 280 мм
D = 500 мм
B = 80 мм
Ew = 440 мм
r = 5 мм
r1 = 5 мм
Нагрузки:
Сr = 1140 кН — динамическая
С0r = 1680 кН — статическая
 
 
Скорость вращения:
Wgrease = 1200 об/мин — смазка
Woil = 1400 об/мин — масло
ООО «ЯРснаб». Красноярск. Э-почта: yarsnab@yarsnab.ru.
Дизайн — Студия Андрея Ключанцева