однорядный цилиндрический роликовый подшипник
с двумя бортами на наружнем кольце
NU 2332 (NACHI)
механически обработанный латунный сепаратор

Notice: Undefined variable: subts_res in /home/yarsnab/yarsnab.ru/docs/scripts/analogs_table.php on line 47

Warning: mysql_free_result(): supplied argument is not a valid MySQL result resource in /home/yarsnab/yarsnab.ru/docs/scripts/analogs_table.php on line 47

Notice: Undefined variable: NACHI in /home/yarsnab/yarsnab.ru/docs/scripts/analogs_table.php on line 58
Аналоги других производителей:
NTN
Koyo
SKF
NU 2332 ECMA
NU 2332
Масса 52.5 кг
 
 
 
 
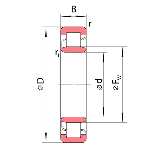
Габаритные размеры:
d = 160 мм
D = 340 мм
B = 114 мм
Fw = 208 мм
r = 4 мм
r1 = 4 мм
Нагрузки:
Сr = 1070 кН — динамическая
С0r = 1520 кН — статическая
 
 
Скорость вращения:
Wgrease = 1500 об/мин — смазка
Woil = 1900 об/мин — масло
ООО «ЯРснаб». Красноярск. Э-почта: yarsnab@yarsnab.ru.
Дизайн — Студия Андрея Ключанцева